
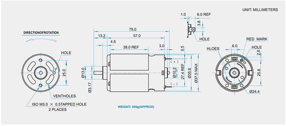
电刷马达是麻豆性生活视频电机的主营产品之一。电机电刷是电动机或发电机等旋转机械的固定部分和转动部分之间传递能量或信号的装置。SCRF- 555贵金属电刷马达广泛应用于办公自动化设备:打印机、计算机外围设备以及汽车产品:汽车天线、腰部支撑装置等。
0755-27903043
最快3天出样
微电机行业沉淀
批量出货
年产能
门锁电机
机器人电机
智能小家电电机
个人护理电机
办公室自动化电机
汽车电机
IT电机
医疗智能家居电机
寿命可达500-20000次,特殊要求可达30000次
堵转扭力堵转扭力大、波动小,批量偏差10%以内
转速最高可达50000rpm,批量偏差10%以内
电阻/电感电阻电感值小、响应迅速,批量一致性好、偏差范围小
电流空载电流小,耗电小、发热小、效率高
噪音噪音小于35db,噪音一致性好,分贝值低
麻豆福利视频导航有专门的选型工程师,每年历经数十个行业、上千个项目的选型,为您提供合理的选型方案,降低您的成本,让产品更具优势
通做到当天咨询,当天选型,当天出图纸,当天报价,并提供样品测试中的技术支持,还可根据测试结果调整方案,最快3天提供二次样品。
麻豆福利视频导航把定制电机的交付周期缩短至15天,现代化的生产管理确保生产的一致性和效率,严格质量检测体系,保质保量快速供应产品。
厂家实力Manufacturer strength 大型生产基地生产规模:占地1400多平方米,生产员工50多名,采用全自动化生产线年产量400多万台,高效生产效率;
厂家直销:厂家直接发货,没有中间商,节省20%以上采购成本,7~15天生产周期,定制周期可在线咨询;
技术实力Technical strength 丰富行业经验技术实力:客户工程师全程提供专属技术支持服务,遵循客户需求,推荐合适选材、制造、测试、包装;
经验丰富:累积服务百余家大型企业,在家电、机器人、医疗等十余行业经验丰富,选型指导更科学;
交货实力Delivery strength 灵活匹配供货无忧快速交货:灵活匹配,最快3天出样15天批量出货,按时交货,厂家生产直供,快速高效品质保证;
及时响应:技术工程师售前、售中、售后全程1对1跟进,24h在线及时响应,1小时内给予解决方案;