
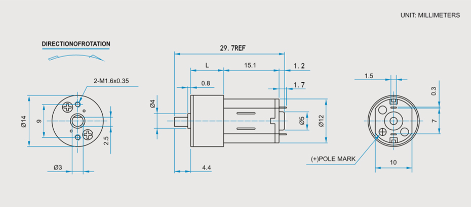
减速电机是指减速机和电机(马达 )的集成体。这种集成体通常也可称为齿轮马达 或齿轮电机 。这款SCFF-N20AGR减速马达由麻豆性生活视频电机进行生产,集成组装好后,与电机一体成套供货 。深圳麻豆性生活视频电机从事电机行业多年,生产实力强大,欢迎联系麻豆福利视频导航咨询业务!
0755-27903043
最快3天出样
微电机行业沉淀
批量出货
年产能
门锁电机
机器人电机
智能小家电电机
个人护理电机
办公室自动化电机
汽车电机
IT电机
医疗智能家居电机
寿命可达500-20000次,特殊要求可达30000次
堵转扭力堵转扭力大、波动小,批量偏差10%以内
转速最高可达50000rpm,批量偏差10%以内
电阻/电感电阻电感值小、响应迅速,批量一致性好、偏差范围小
电流空载电流小,耗电小、发热小、效率高
噪音噪音小于35db,噪音一致性好,分贝值低
麻豆福利视频导航有专门的选型工程师,每年历经数十个行业、上千个项目的选型,为您提供合理的选型方案,降低您的成本,让产品更具优势
通做到当天咨询,当天选型,当天出图纸,当天报价,并提供样品测试中的技术支持,还可根据测试结果调整方案,最快3天提供二次样品。
麻豆福利视频导航把定制电机的交付周期缩短至15天,现代化的生产管理确保生产的一致性和效率,严格质量检测体系,保质保量快速供应产品。
厂家实力Manufacturer strength 大型生产基地生产规模:占地1400多平方米,生产员工50多名,采用全自动化生产线年产量400多万台,高效生产效率;
厂家直销:厂家直接发货,没有中间商,节省20%以上采购成本,7~15天生产周期,定制周期可在线咨询;
技术实力Technical strength 丰富行业经验技术实力:客户工程师全程提供专属技术支持服务,遵循客户需求,推荐合适选材、制造、测试、包装;
经验丰富:累积服务百余家大型企业,在家电、机器人、医疗等十余行业经验丰富,选型指导更科学;
交货实力Delivery strength 灵活匹配供货无忧快速交货:灵活匹配,最快3天出样15天批量出货,按时交货,厂家生产直供,快速高效品质保证;
及时响应:技术工程师售前、售中、售后全程1对1跟进,24h在线及时响应,1小时内给予解决方案;